无障碍浏览
长者模式
云南省医疗保障局
Yunnan Provincial Healthcare Security administration
政府信息公开
政策文件
+
行政规范性文件
其他文件
政府信息公开指南
政府信息公开制度
法定主动公开内容
+
通知公告
机构职责
+
职能职责
领导成员
内设机构
局属单位
政策解读
行政处罚和行政强制
+
行政处罚
行政强制
行政执法公示
部门预决算
政府采购
人大建议、政协提案公开
意见征集
法治政府建设
其他公开项目
政府信息公开年报
依申请公开
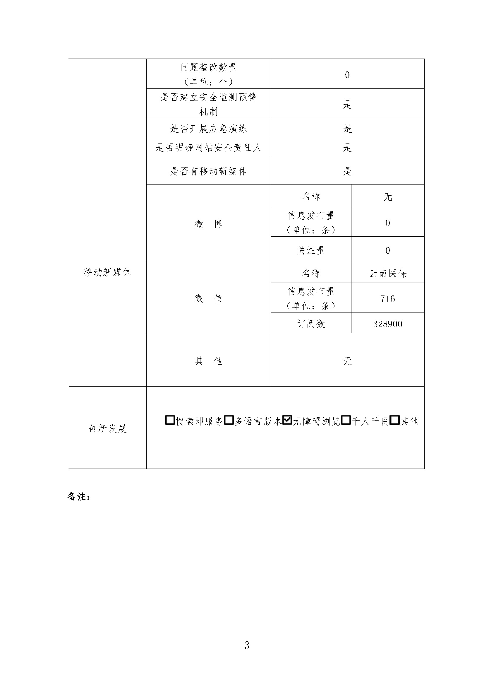
政府网站工作年度报表(2024年度)
来源:云南省医疗保障局
时间:2025-01-26 15:48
【字体:
大
小
】
附件:
政府网站工作年度报表(2024年度).pdf
分享到:
【打印内容】
0